Издательство Монолит +38(056)735-50-35 +38(095)931-39-89;
Купить полную версию книги

Двигатель Haval M6 с 2023 г. Головка блока и ГРМ

4. Головка блока и ГРМ
Крышка головки блока цилиндров
Компоненты
Головка блока и ГРМ Haval M6
1. Пробка маслозаливной горловины 2. Крышка головки блока цилиндров 3. Уплотнительная прокладка 2 крышки головки блока цилиндров 4. Уплотнительная прокладка 1 крышки головки блока цилиндров 5. Крышка головки блока цилиндров 6. Головка блока цилиндров
Снятие и установка
Снятие
1. Отсоединить отрицательную клемму от аккумуляторной батареи в сборе.
2. Отсоединить подводящий патрубок интеркулера.
3. Снять узел вентиляции картера и узел шланга принудительной вентиляции картера.
4. Снять катушку зажигания (подробнее, см. соответствующий раздел в главе Система питания и управления двигателя).
5. Отсоединить крепление верхнего жгута проводов крышки головки блока цилиндров.
6. Выкрутить 11 болтов крепления в последовательности от периферии к центру, снять крышку головки блока цилиндров, как показано на изображении ниже.
Головка блока и ГРМ Haval M6
7. Снять уплотнительную прокладку крышки головки блока цилиндров
Примечание
Уплотнительные прокладки крышки головки блока цилиндров относятся к одноразовым деталям.

Установка
1. Удалите старый герметик из резьбовых отверстий; при очистке резьбы в отверстиях не допускайте попадания в них масла.
2. В месте Т-образного соединения головки блока цилиндров, масляного насоса и крышки головки блока цилиндров нанести герметик, как показано на изображении ниже.
Головка блока и ГРМ Haval M6
Примечание
Тип: силиконовый герметик Loctite 5900Н для плоских поверхностей или силиконовый герметик 1598F для плоских поверхностей.
Диаметр валика герметика: 4,0 ±0,5 мм.

Примечание
Валик герметика при нанесении должен быть непрерывным, и сборка должна быть выполнена в течение 3 минут после нанесения герметика. Установка болтов производится в течение 15 минут.

3. Установить новые уплотнительные прокладки крышки головки блока цилиндров.
4. Установить головку блока цилиндров в сначала предварительно затяните болты, затем окончательно затяните 11 болтов в направлении от периферии к центру, как показано на изображении ниже. Момент затяжки: 11 ±1 Н∙м.
Головка блока и ГРМ Haval M6
5. Установить крепление верхнего жгута проводов крышка головки блока цилиндров.
6. Установить катушки зажигания.
7. Подсоедините узел вентиляции картера и узел шланга принудительной вентиляции картера.
8. Подсоедините подводящую трубку интеркулера.
9. Подсоедините провод к «отрицательному» выводу аккумуляторной батареи.
Распределительный вал
Компоненты
Головка блока и ГРМ Haval M6
1. Передняя крышка подшипников распределительного вала 2. Распределительный вал выпускных клапанов 3. Распределительный вал впускных клапанов 4. Звездочка привода распределительного вала выпускных клапанов 5. Блок болтов крепления звездочки привода распределительного вала выпускных клапанов 6. Механизм изменения фаз газораспределения 7. Болты механизма изменения фаз газораспределения 8. Головка блока цилиндров 9. Крышка подшипников распределительного вала впускных клапанов 10. Крышка подшипников распределительного вала выпускных клапанов
Проверка зазоров в подшипниках распределительного вала
1. Очистите крышку и шейку распределительного вала.
2. Установить распределительный вал в головку блока цилиндров.
3. Установить пластиковый щуп на шейки распределительного вала.
Внимание
Пластиковый калибр должен находиться в центре распредвала.

4. Установить крышку подшипников распределительного вала.
Внимание
Во время проверки масляного зазора распределительного вала не вращайте его во избежание получения ошибочных измерений.

5. Снять крышку подшипников распределительного вала.
6. Измерить толщину пластикового щупа с наибольшей толщиной.
Распределительный вал впускных/выпускных клапанов: 0,035-0,072 мм.
Примечание
Если масляный зазор распредвала превышает установленное значение, измерить диаметр установочного отверстия распредвала и наружный диаметр шейки распредвала.

Замените распредвал или головку блока цилиндров в сборе.
Проверка осевого свободного хода распределительного вала
1. Установить распределительный вал
2. Измерить осевой свободный ход распределительного вала при перемещении вала вперед и назад.
Распределительный вал впускных/выпускных клапанов: 0,060-0,115 мм.
Примечание
Если осевой зазор распредвала больше максимального значения, следует заменить распредвал. В случае необходимости замените крышку подшипников распредвала и головку блока цилиндров в комплекте.

Проверка распределительного вала
1. Поместите распределительный вал на V-образные призматические блоки.
2. Измерить радиальное биение в центре шейки вала. Номинальное значение: не более 0,02 мм.
Примечание
Если радиальное биение распредвала больше максимального значения, следует заменить распредвал.

3. Измерить высоту выступа кулачков.
Высота выступа кулачков
Распределительный вал впускных клапанов: 44,45 — 44,55 мм
Распределительный вал выпускных клапанов: 43,73 — 43,83 мм
Если высота верхней части распредвала меньше минимального значения, следует заменить распредвал.
4. Измерить диаметр шейки вала.
Диаметр шейки вала
Первая шейка вала 34,453 — 34,465 мм
Другая шейка вала 22,949 — 22,965 мм
Примечание
Диаметры распределительного вала впускных клапанов и распределительного вала выпускных клапанов одинаковы.

Снятие и установка
Снятие
1. Снять крышку головки блока цилиндров
2. Снять верхнюю направляющую.
3. Повернуть коленчатый вал так, чтобы установочные метки на распределительном вале выпускных клапанов и на механизме управления фазами газораспределения VVTI были направлены вертикально вверх, как показано на изображении ниже.
Головка блока и ГРМ Haval M6
Примечание
Запрещается поворачивать коленвал против часовой стрелки (глядя на двигатель спереди).

4. Снять пробку масляного насоса, как показано на изображении ниже.
Головка блока и ГРМ Haval M6
5. Вставьте отвертку в смотровое окно, переместите вверх ограничивающий фланец натяжителя, после этого вставьте штифт в отверстие ограничивающего фланца и натяжителя (можно использовать стальную проволоку), как показано на изображении ниже.
Головка блока и ГРМ Haval M6
6. Выкрутить 3 болта, затем снять переднюю крышку подшипников распределительного вала, как показано на изображении ниже.
Головка блока и ГРМ Haval M6
7. Гаечным ключом зафиксируйте распределительный вал выпускных так, чтобы обеспечить неподвижность звездочки распределительного вала выпускных клапанов, как показано на изображении ниже.
Головка блока и ГРМ Haval M6
8. Выкрутить болты крепления звездочки распределительного вала выпускных клапанов, затем снять звездочку привода вала.
Примечание
Болты крепления звездочки привода распределительного вала выпускных клапанов повторной установке не подлежат.

9. Выкрутить 8 болтов; сначала снять крышки подшипников распределительного вала, которые не требуют для этого особых усилий, затем снять крышки подшипников распределительного вала, требующие приложения усилий для снятия, как показано на изображении ниже.
Головка блока и ГРМ Haval M6
Внимание
Несоблюдение вышеуказанного метода снятия может привести к поломке и деформации распределительного вала из-за неравномерной нагрузки.

10. Снять распределительный вал выпускных клапанов и 4 крышки подшипников распределительного вала.
11. Гаечным ключом зафиксируйте распределительный вала впускных клапанов так, чтобы обеспечить неподвижность механизма изменения фаз газораспределения, как показано на изображении ниже.
Головка блока и ГРМ Haval M6
12. Ослабьте болты крепления механизма изменения фаз газораспределения.
13. Выкрутить 8 болтов; сначала снять крышки подшипников распределительного вала, которые не требуют для этого особых усилий, затем снять крышки подшипников распределительного вала, требующие приложения усилий для снятия, как показано на изображении ниже.
Головка блока и ГРМ Haval M6
Внимание
Несоблюдение вышеуказанного метода снятия может привести к поломке и деформации распределительного вала из-за неравномерной нагрузки.

14. Снять распределительный вал впускных клапанов с механизмом изменения фаз газораспределения и 4 крышки подшипников распределительного вала.
15. Закрепите на двигателе цепь привода газораспределительного механизма.
16. Выкрутить болты крепления механизма изменения фаз газораспределения и снять сам механизм.
Внимание
Болты крепления элементов системы изменения фаз газораспределения не подлежат повторному использованию.

Установка
1. На гнездо подшипников и крышку подшипников распределительного вала нанести необходимое количество масла.
2. Установить механизм изменения фаз газораспределения так, чтобы совместить отверстие для установочных штифтов механизма с обозначенным на рисунке положением распределительного вала впускных клапанов, как показано на изображении ниже.
Головка блока и ГРМ Haval M6
3. Предварительно затяните новые болты крепления механизма изменения фаз газораспределения.
4. Установить распределительный вал впускных клапанов с механизмом изменения фаз газораспределения, как показано на изображении ниже.
5. Установить цепь газораспределительного механизма так, чтобы установочные метки на механизме изменения фаз газораспределения и на цепи привода газораспределительного механизма совместились, как показано на изображении ниже.
Головка блока и ГРМ Haval M6
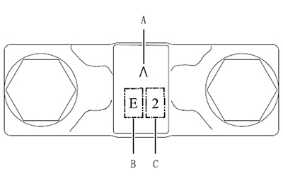
6. Последовательно установить крышки подшипников распределительного вала.
Головка блока и ГРМ Haval M6
А: метка «вверх»
В: метка на крышке подшипников распределительного вала со стороны впуска
С: порядковый номер крышки подшипников распределительного вала (обозначен цифрами от 2 до 5)
7. Затяните 8 болтов; сначала закрепите крышки подшипников распределительного вала, требующие приложения усилий, затем закрепите крышки подшипников распределительного вала, для крепления которых не требуется прилагать усилие. Момент затяжки: 12+1 Н∙м.
Головка блока и ГРМ Haval M6
Внимание
Несоблюдение вышеуказанного метода может крепления привести к поломке и деформации распределительного вала из-за неравномерной нагрузки.

8. Гаечным ключом зафиксируйте распределительный вал впускных клапанов так, чтобы обеспечить неподвижность механизма изменения фаз газораспределения, как показано на изображении ниже.
Головка блока и ГРМ Haval M6
9. Затяните болты механизма изменения фаз газораспределения. Первый этап: 20 Н∙м. Второй этап: довернуть на 65 .
10. Установка распределительного вала выпускных клапанов.
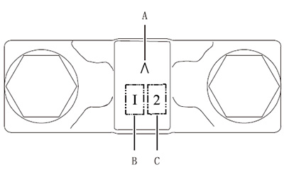
11. Последовательно установить крышки подшипников распределительного вала выпускных клапанов, как показано на изображении ниже.
Головка блока и ГРМ Haval M6
А: метка «вверх»
В: метка на крышке подшипников распределительного вала со стороны выпуска
С: порядковый номер крышки подшипников распределительного вала (обозначен цифрами от 2 до 5)
13. Установить звездочку привода распределительного вала выпускных клапанов так, чтобы установочные метки на звездочке
привода распределительного вала выпускных клапанов и на цепи привода газораспределительного механизма совместились. Установочный штифт распределительного вала выпускных клапанов должен совместиться с установочной канавкой звездочки, как показано на рисунке.
12. Затяните 8 болтов; сначала закрепите крышки подшипников распределительного вала, требующие приложения усилий, затем закрепите крышки подшипников распределительного вала, для крепления которых не требуется прилагать усилие, как показано на изображении ниже. Момент затяжки: 12±1 Н∙м.
Головка блока и ГРМ Haval M6
Внимание
Несоблюдение вышеуказанного метода может крепления привести к поломке и деформации распределительного вала из-за неравномерной нагрузки.

13. Установить звездочку привода распределительного вала выпускных клапанов так, чтобы установочные метки на звездочке привода распределительного вала выпускных клапанов и на цепи привода газораспределительного механизма совместились. Установочный штифт распределительного вала выпускных клапанов должен совместиться с установочной канавкой звездочки, как показано на рисунке.
Головка блока и ГРМ Haval M6
14. Гаечным ключом зафиксируйте положение распределительного вала выпускных клапанов так, чтобы обеспечить неподвижность звездочки привода распределительного вала выпускных клапанов, как показано на изображении ниже.
Головка блока и ГРМ Haval M6
15. Затяните новые болты крепления звездочки привода распределительного вала выпускных клапанов. Первый этап: 30 Н∙м. Второй этап: поворот на 65°.
16. В соответствии с положением цилиндрического штифта установить переднюю крышку подшипников распределительного вала, как показано на изображении ниже.
Головка блока и ГРМ Haval M6
17. Затянуть три болта крепления, показанные на рисунке ниже. Момент затяжки: 23 Н∙м.
Головка блока и ГРМ Haval M6
18. Убедитесь, что две установочные метки на цепи газораспределительного механизма совпадают с соответствующими метками распределительного вала выпускных клапанов и механизма изменения фаз газораспределения, как показано на изображении ниже.
Головка блока и ГРМ Haval M6
19. Извлеките штифт из натяжителя, чтобы натянуть цепь привода газораспределительного механизма.
20. Повернуть коленчатый вал по часовой стрелке на два оборота, убедитесь, что установочные метки на распределительном валу выпускных клапанов и механизме изменения фаз газораспределения по-прежнему вертикальны и направлены вверх, а также совмещены с метками на цепи привода газораспределительного механизма.
Примечание
Запрещается поворачивать коленвал против часовой стрелки (глядя на двигатель спереди).

21. Удалите старый герметик из резьбовых отверстий; при очистке резьбы в отверстиях не допускайте попадания в них масла.
22. Нанести герметик на резьбу конусной пробки. Тип: анаэробный герметик Threebond 1243 для резьбовых соединений.
23. Затяните коническую пробку на масляном насосе, как показано на изображении ниже. Момент затяжки: 23 Н∙м.
Головка блока и ГРМ Haval M6
24. Установить верхнюю направляющую.
25. Установить крышку головки блока цилиндров (подробнее, см. соответствующий раздел в данной главе).
Головка блока цилиндров
Компоненты
Головка блока и ГРМ Haval M6
1. Болт крепления головки блока цилиндров 2. Прокладка болта крепления головки блока 3. Головка блока цилиндров 4. Прокладка головки блока цилиндров
Проверка неплоскостности
1. С помощью лекальной линейки и набора плоских щупов измерить не плоскостность каждой части контактной плоскости головки цилиндра.
Параметры
Со стороны блока цилиндров: 0,05 мм
Со стороны впуска: 0,05 мм
Со стороны выпуска: 0,05 мм
Примечание
Если плоскостность превышает максимальное значение, замените головку блока цилиндров.

2. Используйте метод проникновения красителя для проверки поверхности на стороне впуска, выпуска и блока цилиндров на наличие трещин. При обнаружении трещин замените головку блока цилиндров.
Снятие и установка
Снятие
1. Сбросить давления в топливной системе (подробнее, см. соответствующий раздел в главе Система питания и управления двигателя).
2. Слить жидкость из системы охлаждения двигателя (подробнее, см. соответствующий раздел Система охлаждения).
3. Отсоединить отрицательную клемму от аккумуляторной батареи в сборе.
4. Снять катушки и свечи зажигания (подробнее, см. соответствующий раздел в главе Система питания и управления двигателем).
5. Снять клапан управления интеллектуальной системы изменения фаз газораспределения (VVTi).
6. Снять датчик фазы распределительного вала впускных клапанов.
7. Снять датчик температуры охлаждающей жидкости двигателя.
8. Снять топливные форсунки (подробнее, см. соответствующий раздел в главе Система питания и управления двигателя).
9. Снять впускной коллектор (подробнее, см. соответствующий раздел в главе Система впуска и выпуска).
10. Снять турбокомпрессор (подробнее, см. соответствующий раздел в главе Система впуска и выпуска).
11. Снять выпускной коллектор (подробнее, см. соответствующий раздел в главе Система впуска и выпуска).
12. Снять крышку головки блока цилиндров (подробнее, см. соответствующий раздел в данной главе).
13. Снять ремень привода генератора (подробнее, см. соответствующий раздел в данной главе).
14. Снять генератор (подробнее, см. соответствующий раздел в главе Электрооборудование двигателя).
15. Установить опорную стойку под двигатель.
16. Снять правую опору двигателя.
17. Снять кронштейн передней опоры двигателя.
18. Снять топливный насос (подробнее, см. соответствующий раздел в главе Система питания и управления двигателем).
19. Снять распределительный вал впускных/выпускных клапанов в сборе, снять толкатель клапана.
20. Снять компоненты механизма ГРМ.
21. Выкрутить 10 болтов крепления головки блока цилиндров в три этапа в последовательности, указанной на рисунке ниже.
Головка блока и ГРМ Haval M6
Примечание
Снятие болтов крепления головки блока цилиндров в неправильной последовательности может привести к ее деформации и трещинам.
Болты крепления головки блока цилиндров являются одноразовыми деталями.

22. С помощью магнитного наконечника возьмите 10 шайб болтов крышки цилиндра, пересчитайте и сложите их. Следите за тем, чтобы они не попали в маслопровод. Снять головку блока цилиндров в сборе.
Примечание
Шайбы болтов крепления головки блока цилиндров являются одноразовыми деталями.

23. Снять прокладку головки блока цилиндров.
Примечание
Прокладка головки блока цилиндров является одноразовой деталью.

Установка
1. Удалите старый герметик с контактной поверхности, очистите поверхность от остатков масла.
2. Нанести герметик на верхнюю переднюю часть блока цилиндров, как показано на изображении ниже.
Головка блока и ГРМ Haval M6
Тип герметика: силиконовый герметик Loctite 5900Н для плоских поверхностей или силиконовый герметик Tianshan 1598F для плоских поверхностей.
Диаметр валика герметика: 3,5 — 4,5 мм.
Центральная линия полосы герметика должна находиться на расстоянии 3±1 мм от передней части блока цилиндров.
Примечание
Наносимый герметик не должен выходить за пределы контактной поверхности.
Валик герметика при нанесении должен быть непрерывным, и сборка должна быть выполнена в течение 3 минут после нанесения герметика. Установка болтов производится в течение 15 минут.

3. Установить новую прокладку головки блока цилиндров в соответствии с установочным штифтом на блоке цилиндров, как показано на изображении ниже.
Головка блока и ГРМ Haval M6
4. В соответствии с расположением блока цилиндров нанести герметик на верхнюю поверхность передней части прокладки головки блока цилиндров, как показано на изображении ниже.
Головка блока и ГРМ Haval M6


Тип герметика: силиконовый герметик Loctite 5900Н для плоских поверхностей или силиконовый герметик Tianshan 1598F для плоских поверхностей.
Диаметр валика герметика: 3,5 — 4,5 мм.
Примечание
Валик герметика при нанесении должен быть непрерывным, и сборка должна быть выполнена в течение 3 минут после нанесения герметика. Установка болтов производится в течение 15 минут.

5. Замените болты и шайбы болтов крепления головки блока цилиндров новыми.
6. Установить болты с шайбами крепления блока цилиндров в отверстия под болты.
7. Вращая коленчатый вал по часовой стрелке, отрегулируйте положение поршней в цилиндрах. Визуально убедитесь, что поршни в каждом цилиндре находятся в одной горизонтальной плоскости.
Примечание
Запрещается поворачивать коленвал против часовой стрелки (глядя на двигатель спереди).

8. Затяните болты крепления головки блока цилиндров в 3 этапа в последовательности, указанной на рисунке ниже.
Головка блока и ГРМ Haval M6
Первый этап: момент предварительной затяжки 23 Н∙м.
Второй этап: поворот на 90°
Третий этап: поворот на 90°
9. Установить толкатели клапанов и распределительный вал.
10. Установить топливный насос (подробнее, см. соответствующий раздел в главе Система питания и управления двигателем).
11. Установить кронштейн передней опоры двигателя.
12. Установить правую опору двигателя.
13. Установить генератор (подробнее, см. соответствующий раздел в главе Электрооборудование двигателя).
14. Установить ремень привода генератора (подробнее, см. соответствующий раздел в данной главе).
15. Установить крышку головки блока цилиндров.
16. Установить выпускной коллектор (подробнее, см. соответствующий раздел в главе Система впуска и выпуска).
17. Установить турбокомпрессор (подробнее, см. соответствующий раздел в главе Система впуска и выпуска).
18. Установить впускной коллектор (подробнее, см. соответствующий раздел в главе Система впуска и выпуска).
19. Установить топливные форсунки (подробнее, см. соответствующий раздел в главе Система питания и управления двигателя).
20. Установить датчик температуры охлаждающей жидкости двигателя (подробнее, см. соответствующий раздел в главе Система питания и управления двигателем).
21. Установить датчик фазы распределительного вала впускных клапанов (подробнее, см. соответствующий раздел в главе Система питания и управления двигателем).
22. Установить клапан управления интеллектуальной системы изменения фаз газораспределения (VVTi).
23. Установить свечи и катушки зажигания.
24. Подсоедините провод к «отрицательному» выводу аккумуляторной батареи.
25. Необходимо создать давление в топливной системе.
26. Залейте жидкость в систему охлаждения двигателя (подробнее, см. соответствующий раздел в главе Система охлаждения).